Zastanawiasz się, skąd bierze się ciepła woda w Twoim mieszkaniu w bloku? To pytanie, które nurtuje wielu mieszkańców, a odpowiedź na nie jest często bardziej złożona, niż mogłoby się wydawać. Jako Konstanty Adamczyk, ekspert w dziedzinie instalacji budynkowych, postaram się przybliżyć Ci mechanizmy stojące za codzienną dostępnością ciepłej wody, wyjaśniając najpopularniejsze w Polsce systemy jej dostarczania i rozliczania. Zrozumienie tego procesu pomoże Ci lepiej zarządzać domowym budżetem i świadomie korzystać z zasobów.
Ciepła woda w bloku: trzy główne systemy dostarczania i rozliczania
- Woda w blokach pochodzi z miejskiej sieci ciepłowniczej, lokalnej kotłowni lub indywidualnych podgrzewaczy w mieszkaniach.
- W systemie miejskim ciepło jest przesyłane z elektrociepłowni do węzła cieplnego w budynku, gdzie wymiennik podgrzewa wodę użytkową bez jej mieszania z wodą grzewczą.
- Lokalne kotłownie (często gazowe) zapewniają niezależność i są wyposażone w automatykę pogodową dla optymalizacji kosztów.
- Indywidualne rozwiązania to głównie gazowe piecyki przepływowe (junkersy) i elektryczne bojlery.
- Koszty podgrzania wody zależą od źródła ciepła i cen energii, a rozliczane są na podstawie liczników w mieszkaniach.
- Najczęstsze problemy z brakiem ciepłej wody to niewydolna cyrkulacja, awarie wewnętrzne (pompy, zawory) lub zakamienione rury.
Ciepła woda w kranie: jak działa ta codzienna magia? Zanim ciepła woda popłynie z Twojego kranu, zimna woda z miejskiej sieci wodociągowej musi przejść przez proces podgrzewania. To właśnie ten etap jest kluczowy i może być realizowany na kilka różnych sposobów, w zależności od infrastruktury budynku i lokalnych uwarunkowań. Po podgrzaniu, woda jest rozprowadzana specjalną instalacją po całym budynku, docierając do każdego mieszkania.
W Polsce, w budynkach wielorodzinnych, spotykamy trzy główne metody podgrzewania wody:
- Miejska sieć ciepłownicza: Ciepło dostarczane jest z centralnego źródła, np. elektrociepłowni, do węzła cieplnego w budynku.
- Lokalna kotłownia w budynku: Cały blok lub zespół bloków posiada własną kotłownię, najczęściej gazową, która podgrzewa wodę.
- Indywidualne źródła ciepła w mieszkaniach: Każde mieszkanie ma własne urządzenie do podgrzewania wody, takie jak gazowy piecyk przepływowy czy bojler elektryczny.

Scenariusz #1: Ciepło prosto z miasta, czyli potęga sieci ciepłowniczej
W wielu miastach, szczególnie w dużych aglomeracjach, ciepło do podgrzewania wody pochodzi z centralnych źródeł, takich jak elektrociepłownie lub ciepłownie. To potężne instalacje, które produkują gorącą wodę lub parę, a następnie przesyłają ją podziemnymi, izolowanymi rurociągami do poszczególnych budynków. To rozwiązanie jest bardzo efektywne na dużą skalę i zapewnia stabilne dostawy ciepła.
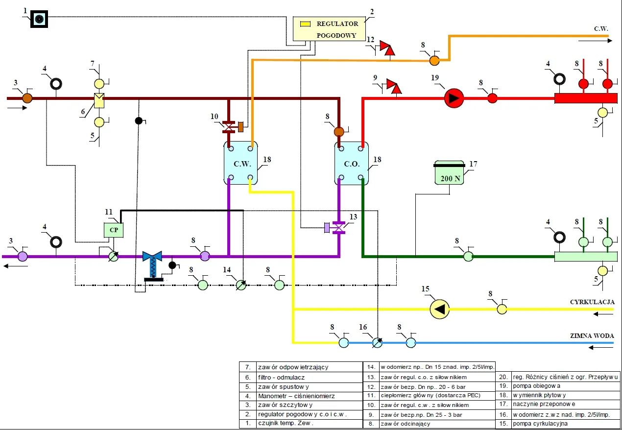
Kluczowym elementem tego systemu w każdym bloku jest tak zwany węzeł cieplny, często zlokalizowany w piwnicy. Można go sobie wyobrazić jako serce budynku, które zarządza dystrybucją ciepła. Jego główną funkcją jest odebranie ciepła z miejskiej sieci i przekazanie go do wewnętrznych instalacji budynku zarówno do grzejników, jak i do podgrzewania wody użytkowej.
Węzeł cieplny wyposażony jest w wymiennik ciepła, który pełni niezwykle ważną rolę. To właśnie tutaj dochodzi do przekazania energii cieplnej z gorącej wody krążącej w sieci miejskiej do zimnej wody, która płynie z wodociągu do naszych kranów. Co istotne, woda z sieci miejskiej, ta sama, która ogrzewa kaloryfery, nigdy nie miesza się z wodą użytkową! Są to dwa oddzielne obiegi. Wymiennik ciepła jedynie przekazuje energię, podgrzewając naszą wodę do odpowiedniej temperatury, zazwyczaj około 55°C. Dlatego też, wbrew powszechnym mitom, woda w kranie i w kaloryferze to nie to samo to dwa różne źródła, połączone jedynie wymianą ciepła.
System miejskiego ogrzewania ma swoje niezaprzeczalne zalety, ale i pewne wady, które warto mieć na uwadze:
| Zalety | Wady |
|---|---|
| Wygoda i bezobsługowość dla mieszkańców | Zależność od zewnętrznego dostawcy i jego taryf |
| Wysoka niezawodność i ciągłość dostaw | Brak możliwości samodzielnego wpływu na temperaturę wody (poza termostatem) |
| Brak konieczności posiadania własnej kotłowni w budynku | Potencjalnie wyższe koszty w porównaniu do lokalnych rozwiązań |
| Mniejsze obciążenie środowiska lokalnego (spaliny emitowane centralnie) | Awarie sieci miejskiej mogą dotknąć wielu odbiorców jednocześnie |

Scenariusz #2: Prywatne źródło mocy: kotłownia gazowa w sercu budynku
Alternatywą dla miejskiej sieci ciepłowniczej jest posiadanie własnej, lokalnej kotłowni w budynku, co jest szczególnie popularne w nowszym budownictwie lub w blokach niepodłączonych do sieci miejskiej. Najczęściej są to kotłownie gazowe, wyposażone w nowoczesne kotły kondensacyjne, które charakteryzują się bardzo wysoką efektywnością energetyczną. Taka kotłownia podgrzewa wodę zarówno do celów grzewczych (centralne ogrzewanie), jak i do przygotowania ciepłej wody użytkowej dla wszystkich mieszkań.
Współczesne kotłownie to prawdziwe centra technologiczne. Wyposażone są w zaawansowaną automatykę i czujniki pogodowe, które nieustannie monitorują temperaturę zewnętrzną. Dzięki temu system może dynamicznie dostosowywać temperaturę wody krążącej w instalacji, optymalizując zużycie gazu. Oznacza to, że w chłodniejsze dni woda jest podgrzewana mocniej, a w cieplejsze mniej, co przekłada się na realne oszczędności dla mieszkańców. To inteligentne zarządzanie ciepłem, które moim zdaniem jest przyszłością efektywności energetycznej.Jedną z największych zalet lokalnej kotłowni jest niezależność wspólnoty mieszkaniowej od zewnętrznego dostawcy ciepła. To mieszkańcy, poprzez zarządcę lub spółdzielnię, mogą samodzielnie decydować o wielu kwestiach, na przykład o terminie rozpoczęcia i zakończenia sezonu grzewczego, co daje dużą elastyczność i możliwość dostosowania się do faktycznych potrzeb i warunków pogodowych.
Bezpieczeństwo jest priorytetem w każdej kotłowni. Nowoczesne instalacje wyposażone są w szereg zabezpieczeń, takich jak systemy detekcji gazu, które alarmują w przypadku wycieku, czy wydajne systemy wentylacji. Regularne przeglądy techniczne i konserwacja, przeprowadzane przez wykwalifikowanych specjalistów, zapewniają, że kotłownia pracuje sprawnie i bezpiecznie, minimalizując ryzyko awarii i zagrożeń dla mieszkańców.Scenariusz #3: Każdy sobie panem: indywidualne podgrzewacze w mieszkaniach
W starszym budownictwie, a także w niektórych nowszych, gdzie nie ma centralnego systemu podgrzewania wody, każde mieszkanie może być wyposażone w indywidualne urządzenie do przygotowania ciepłej wody. To rozwiązanie daje mieszkańcom pełną kontrolę nad zużyciem i temperaturą, ale wiąże się też z pewnymi wyzwaniami.
Najbardziej znanym przykładem są gazowe przepływowe podgrzewacze wody, potocznie nazywane "junkersami" lub piecykami gazowymi. Ich działanie jest proste: w momencie odkręcenia kurka z ciepłą wodą, urządzenie automatycznie się uruchamia i podgrzewa wodę na bieżąco, w miarę jej przepływu. To rozwiązanie jest typowe dla budynków z lat 60., 70. i 80., gdzie często nie przewidziano centralnej instalacji ciepłej wody użytkowej. Wymagają one jednak odpowiedniej wentylacji i regularnych przeglądów ze względu na spalanie gazu.
Innym popularnym indywidualnym rozwiązaniem są elektryczne podgrzewacze pojemnościowe, czyli bojlery. Działają one na zasadzie magazynowania i podgrzewania określonej ilości wody w izolowanym zbiorniku. Woda jest podgrzewana do zadanej temperatury, a następnie utrzymywana w cieple. Gdy zużyjemy ciepłą wodę, bojler ponownie zaczyna ją podgrzewać. Ich rozmiar zależy od pojemności zbiornika, co może być wyzwaniem w małych łazienkach.
Porównując opłacalność i wygodę indywidualnych systemów podgrzewania wody z systemami centralnymi, warto wziąć pod uwagę kilka aspektów:
- Koszty eksploatacji: Indywidualne systemy mogą być droższe w eksploatacji, zwłaszcza jeśli korzystamy z energii elektrycznej (bojler) lub gazu po cenach detalicznych. Centralne systemy często korzystają z niższych taryf dla dużych odbiorców.
- Komfort użytkowania: Centralne systemy zazwyczaj zapewniają stały dostęp do ciepłej wody bez ograniczeń ilościowych. W przypadku bojlerów, po zużyciu zgromadzonej wody, trzeba czekać na jej ponowne podgrzanie. Junkersy zapewniają ciepłą wodę na bieżąco, ale mogą mieć ograniczoną wydajność.
- Wymagania przestrzenne: Indywidualne urządzenia zajmują miejsce w łazience lub kuchni, co w mniejszych mieszkaniach może być problematyczne. Centralne systemy nie wymagają miejsca w mieszkaniu.
- Bezpieczeństwo: Gazowe podgrzewacze wymagają regularnych przeglądów i odpowiedniej wentylacji, aby zapobiec zatruciu tlenkiem węgla.
Tajemnica rachunku za wodę: jak spółdzielnie liczą koszty jej podgrzania?
Ostateczna cena za 1 m³ ciepłej wody w Twoim rachunku to suma wielu składowych. Na nią składają się przede wszystkim koszty źródła ciepła (gaz, prąd, energia z sieci miejskiej), ale także opłaty stałe za przesył, konserwację instalacji oraz sprawność samego systemu. Jak zauważyłem, koszty te mogą znacząco różnić się w zależności od lokalizacji i dostawcy. Przykładowo, koszt podgrzania 1 m³ wody z sieci miejskiej może wynosić około 53 zł (przy cenie 255 zł/GJ za samą energię), ale w niektórych miastach, z mojego doświadczenia, ceny te przekraczają nawet 60 zł za metr sześcienny.
W budynkach ze wspólną instalacją, koszty podgrzania wody są rozliczane na podstawie odczytów z liczników wody ciepłej zainstalowanych w poszczególnych mieszkaniach. To sprawiedliwy system, który pozwala płacić za faktyczne zużycie. Warto również pamiętać o nadchodzących zmianach: zgodnie z nowelizacją przepisów, od 2026 roku wspólnoty mieszkaniowe będą miały obowiązek pobierania zaliczek na media, w tym ciepłą wodę, w terminie do 10. dnia każdego miesiąca, co ma na celu usprawnienie płatności i zarządzania finansami.
Zdarza się, że rachunki za ciepłą wodę między sąsiadami różnią się, nawet jeśli mieszkają w tym samym bloku. Oto czynniki, które mogą na to wpływać:
- Indywidualne zużycie: To najbardziej oczywisty czynnik. Im więcej wody zużywasz, tym wyższy rachunek.
- Efektywność wewnętrznej instalacji: Nieszczelności, słaba izolacja rur w mieszkaniu czy długie oczekiwanie na ciepłą wodę mogą zwiększać zużycie.
- Różnice w taryfach: Czasami, choć rzadko w obrębie jednego bloku, mogą występować minimalne różnice w taryfach lub sposobie rozliczania.
- Awarie lub usterki: Niewykryte wycieki czy problemy z licznikiem mogą zawyżać rachunki.
Zimny prysznic z zaskoczenia? Najczęstsze przyczyny braku ciepłej wody
Brak ciepłej wody to jedna z najbardziej irytujących awarii w mieszkaniu. Często problemem, zwłaszcza w starszych budynkach, jest niewydolna cyrkulacja. Oznacza to, że ciepła woda musi pokonać długą drogę z węzła cieplnego lub kotłowni do Twojego kranu, a w międzyczasie stygnie w rurach. Efektem jest długie oczekiwanie na ciepłą wodę, co nie tylko frustruje, ale i generuje niepotrzebne zużycie zimnej wody. Zgodnie z normami, ciepła woda powinna pojawić się w kranie w ciągu 10-15 sekund od odkręcenia.
Oprócz problemów z cyrkulacją, istnieje szereg innych awarii wewnątrz budynku, które mogą prowadzić do braku ciepłej wody:
- Uszkodzone zawory: Zawory odcinające dopływ ciepłej wody mogą się zaciąć lub ulec awarii.
- Awaria pomp cyrkulacyjnych: Jeśli pompy odpowiedzialne za obieg ciepłej wody nie działają, woda nie będzie krążyć po instalacji.
- Problemy z wymiennikiem ciepła: W węźle cieplnym lub kotłowni wymiennik może ulec awarii, uniemożliwiając podgrzewanie wody.
- Zanieczyszczone lub zakamienione rury i filtry: Osady kamienia lub inne zanieczyszczenia mogą blokować przepływ wody.
- Planowane prace konserwacyjne: Czasami brak ciepłej wody wynika z zaplanowanych prac serwisowych lub awarii po stronie dostawcy ciepła.
Jeśli zauważysz, że problem z brakiem ciepłej wody dotyczy nie tylko Twojego mieszkania, ale także sąsiadów, lub trwa dłużej niż kilka godzin, niezwłocznie zgłoś usterkę zarządcy budynku (spółdzielni, wspólnocie mieszkaniowej, administratorowi). To on jest odpowiedzialny za utrzymanie sprawności wewnętrznych instalacji i powinien podjąć odpowiednie kroki w celu usunięcia awarii.
